TECHNICAL FEATURES
• Torque from 15 Nm to 347 Nm.
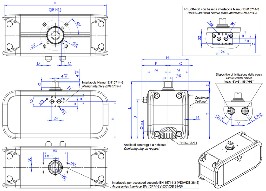
• Mounting flange according to EN ISO 5211: F03 - F04 - F05 - F07 - F10 - F12.
• In accordance with EN 15714-3.
• In conformity with directive ATEX 2014/34/EU.
• Rotation angle: 100° (-5°, +95°).
• Double adjusting +5° and -5° for each end position (0° and 90°).
• Torque: Depending to the air supply pressure and spring size (see table).
WORKING CONDITIONS
• Standard temperature range: -20°C +80°C.
Special versions:
- high temperature: -20°C +150°C.
- low temperature: -50°C +60°C.
• Nominal air supply: 6 bar (RS60 standard version); maximum 8 bar.
• Operating medium: filtered compressed air, no lubrication needed according to UNI EN 15714-3:2009.
• In case of lubrication, use non-detergent oil, compatible with the internal seals.
SPECIAL VERSION ON REQUEST, CODING KEY
| CHARACTERISTIC | ||
| Actuator Type | RP | |
| Size | 0010, 0020, 0040, 0060, 0080, 00120, 00160, 0240, 0300, 0480 | |
| Customer | VO | ACTUATECH |
| Rotation Angle [°] | A | 90° |
| B* | 180° | |
| C* | 120° | |
| D* | 135° | |
| Rotation direction | R | Clockwise rotation |
| L | Counter-clockwise rotation | |
| Functioning configuration | S | Spring Return N.C. |
| O | Spring Return N.O. | |
| D | Double Acting | |
| Springs | 00 | No springs |
| 20 | Springs 2,0 bar | |
| 25 | Springs 2,5 bar | |
| 30 | Springs 3,0 bar | |
| 35 | Springs 3,5 bar | |
| 40 | Springs 4,0 bar | |
| 45 | Springs 4,5 bar | |
| 50 | Springs 5,0 bar | |
| 55 | Springs 5,5 bar | |
| 60 | Springs 6,0 bar | |
| Flange or smaller flange in case of double flange available | 03 | F03 |
| 04 | F04 | |
| 05 | F05 | |
| 07 | F07 | |
| 10 | F10 | |
| 12 | F12 | |
| Shaft shape | Q | Star shaft |
| D* | Flat head shaft | |
| Shaft dimension | 09 | Shaft dimension 9 mm |
| 11 | Shaft dimension 11 mm | |
| 14 | Shaft dimension 14 mm | |
| 17 | Shaft dimension 17 mm | |
| 22 | Shaft dimension 22 mm | |
| 27 | Shaft dimension 27 mm | |
| Air connection | G | Namur plate GAS |
| N | Namur plate NPT | |
| 0 | Gas Thread on the cilynder (no Namur interface) | |
| I | Namur interface, integrated Gas threads | |
| Version | - | Standard |
| 6* | Low temperature | |
| 4* | Low temperature | |
| DIMENSIONS [mm] | |||||||||||||
| Size | RK20 | RK20 | RK20 | RK20 | RK40 | RK40 | RK40 | RK40 | RK60 | RK80 | RK120 | RK160 | RK240 |
| ISO | F03/F05 | F03/F05 | F04 | F04 | F04 | F04 | F05/F07 | F05/F07 | F05/F07 | F05/F07 | F05/F07 | F07/F10 | F07/F10 |
| A | 153,7 | 153,7 | 153,7 | 153,7 | 180,4 | 180,4 | 180,4 | 180,4 | 215,4 | 235,5 | 265,9 | 285,9 | 318,4 |
| B | 9 | 11 | 9 | 11 | 11 | 14 | 11 | 14 | 14 | 17 | 17 | 22 | 22 |
| C x depth | M5x8 | M5x8 | M5x8 | M5x8 | M5x8 | M5x8 | M6x9 | M6x9 | M6x9 | M6x9 | M6x9 | M8x12 | M8x12 |
| D x depth | M6x9 | M6x9 | - | - | - | - | M8x12 | M8x12 | M8x12 | M8x12 | M8x12 | M10x15 | M10x15 |
| E | 36 | 36 | 42 | 42 | 42 | 42 | 50 | 50 | 50 | 50 | 50 | 70 | 70 |
| F | 50 | 50 | - | - | - | - | 70 | 70 | 70 | 70 | 70 | 102 | 102 |
| G | 10 | 10 | 10 | 10 | 13 | 13 | 13 | 13 | 13 | 13 | 13 | 13 | 19,5 |
| H | 50,9 | 50,9 | 50,9 | 50,9 | 60,8 | 60,8 | 60,8 | 60,8 | 68,7 | 75,6 | 87,6 | 97,5 | 112 |
| I | 9 | 9 | 9 | 9 | 12 | 12 | 12 | 12 | 12 | 15 | 15 | 19 | 22 |
| L | 100 | 100 | 100 | 100 | 112 | 112 | 112 | 112 | 122 | 130 | 143 | 154 | 180 |
| M | 30 | 30 | 30 | 30 | 36,5 | 36,5 | 36,5 | 36,5 | 41,5 | 46 | 51 | 56,5 | 64 |
| N | 82,5* | 82,5* | 82,5* | 82,5* | 95,5* | 95,5* | 95,5* | 95,5* | 107,8* | 116,5* | 127* | 141* | 159* |
| O | 13,2 | 13,2 | 13,2 | 13,2 | 16,5 | 16,5 | 16,5 | 16,5 | 16,5 | 19,3 | 19,3 | 24,3 | 24,3 |
| P | 38,5* | 38,5* | 38,5* | 38,5* | 45* | 45* | 45* | 45* | 52,3* | 56,5* | 62* | 70,5* | 81* |
| Q | 44 | 44 | 44 | 44 | 50,5 | 50,5 | 50,5 | 50,5 | 55,5 | 60 | 65 | 70,5 | 78 |
| R | 12,7 | 12,7 | 12,7 | 12,7 | 16,2 | 16,2 | 16,2 | 16,2 | 18 | 20,2 | 22,5 | 25,5 | 31,8 |
| S | 20 | 20 | 20 | 20 | 20 | 20 | 20 | 20 | 20 | 20 | 20 | 20 | 30 |
| T | 80 | 80 | 80 | 80 | 92 | 92 | 92 | 92 | 102 | 110 | 123 | 134 | 150 |
| U | 59,75 | 59,75 | 59,75 | 59,75 | 70,5 | 70,5 | 70,5 | 70,5 | 79 | 86 | 97,75 | 106,25 | 120,5 |
| V | 19 | 19 | 19 | 19 | 21 | 21 | 21 | 21 | 24 | 26 | 32 | 36 | 41 |
| W standard (GAS) | 1/8" | 1/8" | 1/8" | 1/8" | 1/8" | 1/8" | 1/8" | 1/8" | 1/8" | 1/8" | 1/4" | 1/4" | 1/4" |
| W special (NPT) | 1/8"-27 | 1/8"-27 | 1/8"-27 | 1/8"-27 | 1/8"-27 | 1/8"-27 | 1/8"-27 | 1/8"-27 | 1/8"-27 | 1/8"-27 | 1/4"-18 | 1/4"-18 | 1/4"-18 |
| Ch.1 | 10 | 10 | 10 | 10 | 10 | 10 | 10 | 10 | 13 | 13 | 13 | 16 | 18 |
| Ch.2 | 3 | 3 | 3 | 3 | 3 | 3 | 3 | 3 | 4 | 4 | 4 | 5 | 6 |
| Weight (kg) | 1,5** | 1,5** | 1,5** | 1,5** | 2,3** | 2,3** | 2,3** | 2,3** | 3,2** | 4,1** | 5,7** | 7,3** | 10,2** |
| Air (dm3/cycle) | 0,11 | 0,11 | 0,11 | 0,11 | 0,2 | 0,2 | 0,2 | 0,2 | 0,31 | 0,44 | 0,61 | 0,83 | 1,21 |
| Z | 59,9 | 59,9 | 59,9 | 59,9 | 69,8 | 69,8 | 69,8 | 69,8 | 77,7 | 84,6 | 96,6 | 106,6 | 121 |
| W | 1/8" | 1/8" | 1/8" | 1/8" | 1/8" | 1/8" | 1/8" | 1/8" | 1/8" | 1/8" | 1/4" | 1/4" | 1/4" |
H = CENTER OF PLATE'S FIXING.
* Variable according to adjustment.
** Variable according to installed spring set.
| DIMENSIONS [mm] | ||
| Size | RK300 | RK480 |
| ISO | F07/F10 | F10/F12 |
| A | 352,4 | 393,4 |
| B | 22 | 27 |
| C x depth | M8x12 | M10x15 |
| D x depth | M10x15 | M12x18 |
| E | 70 | 102 |
| F | 102 | 125 |
| G | 19,5 | 19,5 |
| H | 125,6 | 145,6 |
| I | 22 | 27 |
| L | 192 | 214 |
| M | 69.5 | 80 |
| N | 156,5* | 180* |
| O | 24,3 | 29,5 |
| P | 87* | 100* |
| Q | 83,5 | 94 |
| R | 31,8 | 38 |
| S | 30 | 30 |
| T | 162 | 184 |
| U | 131 | 149,5 |
| V | 46 | 52 |
| W standard (GAS) | 1/4” | 1/4" |
| W special (NPT) | 1/4”-18 | 1/4”-18 |
| Ch.1 | 18 | 21 |
| Ch.2 | 6 | 6 |
| Weight (kg) | 13** | 18,8** |
| Air (dm3/cycle) | 1,56 | 2,46 |
| Z | 124,5 | 144,5 |
| W | 1/4” | 1/4” |
H = CENTER OF PLATE'S FIXING.
* Variable according to adjustment.
** Variable according to installed spring set.
| MATERIALS | |||
| Pos. | Description | Q.ty | Material |
| 1 | Cylinder | 1 | Aluminium alloy |
| 2 | Shaft | 1 | Steel alloy |
| 3* | Slide ring (upper shaft support) | 1 | Acetalic resins |
| 4* | Slide ring (lower shaft support) | 1 | Acetalic resins |
| 5* | O-ring (lower shaft sealing) | 1 | Nitrilic rubber |
| 6 | Cam | 1 | Steel alloy |
| 7* | Internal support ring | 1 | Acetalic resins |
| 8* | External support ring | 1 | Acetalic resins |
| 9 | Washer | 1 | Stainless steel |
| 10* | Seeger | 1 | Stainless steel |
| 11* | O-ring** | 2 | Nitrilic rubber |
| 12* | O-ring (upper sealing shaft) | 1 | Nitrilic rubber |
| 13 | Namur plate** | 1 | Aluminium alloy |
| 14 | Screws** | 2 | Stainless steel |
| 15* | O-ring | 2 | Nitrilic rubber |
| 16* | Washer (limit stroke) | 2 | Stainless steel |
| 17* | Hexagon nut (limit stroke) | 2 | Stainless steel |
| 18* | Grub screw (limit stroke) | 2 | Stainless steel |
| 19 | Piston | 2 | Aluminium alloy |
| 20* | Piston support leg | 4 | Acetalic resins |
| 21* | Dynamic seal | 2 | Polyurethan |
| 22* | O-ring | 2 | Nitrilic rubber |
| 23* | End-cap O-ring | 2 | Nitrilic rubber |
| 24 | Cap | 2 | Aluminium alloy |
| 25 | Screws | 8 | Stainless steel |
| 26 | Spring | 12 | Steel alloy |
| 27 | Spring cartridge long | 12 | Acetalic resins |
| 28 | Spring cartridge short | 12 | Acetalic resins |
| 29 | Spring cartridge tube | 12 | Brass |
The graph is indicative; for torque values see the table below.
| RACKON "GS" N.C. OUTPUT TORQUE TABLE (Nm) | |||||||||||||||||||||||||
| Size | Spring | Air bar | Spring torque | ||||||||||||||||||||||
| 2 bar | 2,5 bar | 3 bar | 3,5 bar | 4 bar | 4,5 bar | 5 bar | 5,5 bar | 6 bar | 7 bar | 8 bar | |||||||||||||||
| 0° | 90° | 0° | 90° | 0° | 90° | 0° | 90° | 0° | 90° | 0° | 90° | 0° | 90° | 0° | 90° | 0° | 90° | 0° | 90° | 0° | 90° | 90° | 0° | ||
| RK20 | 20 | 4,9 | 2,5 | 6,7 | 4,4 | 8,6 | 6,2 | 10,4 | 8,0 | 12,2 | 9,9 | 14,0 | 11,7 | 15,9 | 13,5 | 17,7 | 15,3 | 19,5 | 17,2 | 23,2 | 20,8 | 26,8 | 24,5 | 4,8 | 2,4 |
| 25 | 4,3 | 1,4 | 6,1 | 3,2 | 8,0 | 5,0 | 9,8 | 6,8 | 11,6 | 8,7 | 13,4 | 10,5 | 15,3 | 12,3 | 17,1 | 14,2 | 18,9 | 16,0 | 22,6 | 19,6 | 26,2 | 23,3 | 6,0 | 3,0 | |
| 30 | 5,5 | 2,0 | 7,4 | 3,8 | 9,2 | 5,7 | 11,0 | 7,5 | 12,8 | 9,3 | 14,7 | 11,1 | 16,5 | 13,0 | 18,3 | 14,8 | 22,0 | 18,4 | 25,6 | 22,1 | 7,1 | 3,6 | |||
| 35 | 6,8 | 2,6 | 8,6 | 4,5 | 10,4 | 6,3 | 12,2 | 8,1 | 14,1 | 9,9 | 15,9 | 11,8 | 17,7 | 13,6 | 21,4 | 17,3 | 25,0 | 20,9 | 8,3 | 4,2 | |||||
| 40 | 8,0 | 3,3 | 9,8 | 5,1 | 11,6 | 6,9 | 13,5 | 8,8 | 15,3 | 10,6 | 17,1 | 12,4 | 20,8 | 16,1 | 24,4 | 19,7 | 9,5 | 4,8 | |||||||
| 45 | 9,2 | 3,9 | 11,0 | 5,7 | 12,9 | 7,6 | 14,7 | 9,4 | 16,5 | 11,2 | 20,2 | 14,9 | 23,8 | 18,5 | 10,7 | 5,4 | |||||||||
| 50 | 10,4 | 4,5 | 12,3 | 6,4 | 14,1 | 8,2 | 15,9 | 10,0 | 19,6 | 13,7 | 23,2 | 17,3 | 11,9 | 6,0 | |||||||||||
| 55 | 11,7 | 5,2 | 13,5 | 7,0 | 15,3 | 8,8 | 19,0 | 12,5 | 22,6 | 16,1 | 13,1 | 6,6 | |||||||||||||
| 60 | 12,9 | 5,8 | 14,7 | 7,6 | 18,4 | 11,3 | 22,0 | 15,0 | 14,3 | 7,2 | |||||||||||||||
| RK40 | 20 | 9,3 | 4,8 | 12,8 | 8,3 | 16,3 | 11,8 | 19,8 | 15,3 | 23,3 | 18,8 | 26,7 | 22,3 | 30,2 | 25,7 | 33,7 | 29,2 | 37,2 | 32,7 | 44,1 | 39,7 | 51,1 | 46,6 | 9,1 | 4,6 |
| 25 | 8,2 | 2,6 | 11,7 | 6,1 | 15,1 | 9,5 | 18,6 | 13,0 | 22,1 | 16,5 | 25,6 | 20,0 | 29,1 | 23,5 | 32,6 | 27,0 | 36,0 | 30,4 | 43,0 | 37,4 | 50,0 | 44,4 | 11,4 | 5,8 | |
| 30 | 10,5 | 3,8 | 14,0 | 7,3 | 17,5 | 10,8 | 21,0 | 14,2 | 24,4 | 17,7 | 27,9 | 21,2 | 31,4 | 24,7 | 34,9 | 28,2 | 41,8 | 35,1 | 48,8 | 42,1 | 13,6 | 6,9 | |||
| 35 | 12,8 | 5,0 | 16,3 | 8,5 | 19,8 | 12,0 | 23,3 | 15,4 | 26,8 | 18,9 | 30,3 | 22,4 | 33,7 | 25,9 | 40,7 | 32,9 | 47,7 | 39,8 | 15,9 | 8,1 | |||||
| 40 | 15,2 | 6,2 | 18,7 | 9,7 | 22,1 | 13,2 | 25,6 | 16,7 | 29,1 | 20,1 | 32,6 | 23,6 | 39,5 | 30,6 | 46,5 | 37,5 | 18,2 | 9,2 | |||||||
| 45 | 17,5 | 7,4 | 21,0 | 10,9 | 24,5 | 14,4 | 28,0 | 17,9 | 31,4 | 21,4 | 38,4 | 28,3 | 45,4 | 35,3 | 20,4 | 10,4 | |||||||||
| 50 | 19,8 | 8,6 | 23,3 | 12,1 | 26,8 | 15,6 | 30,3 | 19,1 | 37,2 | 26,0 | 44,2 | 33,0 | 22,7 | 11,5 | |||||||||||
| 55 | 22,2 | 9,8 | 25,7 | 13,3 | 29,1 | 16,8 | 36,1 | 23,8 | 43,1 | 30,7 | 25,0 | 12,7 | |||||||||||||
| 60 | 24,5 | 11,1 | 28,0 | 14,5 | 34,9 | 21,5 | 41,9 | 28,5 | 27,2 | 13,8 | |||||||||||||||
| RK60 | 20 | 14,2 | 7,4 | 19,5 | 12,7 | 24,9 | 18,1 | 30,2 | 23,4 | 35,5 | 28,7 | 40,8 | 34,0 | 46,1 | 39,3 | 51,4 | 44,6 | 56,7 | 49,9 | 67,3 | 60,5 | 77,9 | 71,1 | 13,8 | 7,0 |
| 25 | 12,5 | 4,0 | 17,8 | 9,3 | 23,1 | 14,6 | 28,4 | 19,9 | 33,7 | 25,2 | 39,0 | 30,5 | 44,3 | 35,8 | 49,7 | 41,2 | 55,0 | 46,5 | 65,6 | 57,1 | 76,2 | 67,7 | 17,3 | 8,8 | |
| 30 | 16,0 | 5,8 | 21,4 | 11,2 | 26,7 | 16,5 | 32,0 | 21,8 | 37,3 | 27,1 | 42,6 | 32,4 | 47,9 | 37,7 | 53,2 | 43,0 | 63,8 | 53,6 | 74,4 | 64,2 | 20,7 | 10,5 | |||
| 35 | 19,6 | 7,7 | 24,9 | 13,0 | 30,2 | 18,3 | 35,5 | 23,6 | 40,8 | 28,9 | 46,2 | 34,3 | 51,5 | 39,6 | 62,1 | 50,2 | 72,7 | 60,8 | 24,2 | 12,3 | |||||
| 40 | 23,2 | 9,6 | 28,5 | 14,9 | 33,8 | 20,2 | 39,1 | 25,5 | 44,4 | 30,8 | 49,7 | 36,1 | 60,3 | 46,7 | 70,9 | 57,3 | 27,6 | 14,0 | |||||||
| 45 | 26,7 | 11,4 | 32,0 | 16,7 | 37,3 | 22,0 | 42,7 | 27,4 | 48,0 | 32,7 | 58,6 | 43,3 | 69,2 | 53,9 | 31,1 | 15,8 | |||||||||
| 50 | 30,3 | 13,3 | 35,6 | 18,6 | 40,9 | 23,9 | 46,2 | 29,2 | 56,8 | 39,8 | 67,4 | 50,4 | 34,5 | 17,5 | |||||||||||
| 55 | 33,8 | 15,1 | 39,2 | 20,5 | 44,5 | 25,8 | 55,1 | 36,4 | 65,7 | 47,0 | 38,0 | 19,3 | |||||||||||||
| 60 | 37,4 | 17,0 | 42,7 | 22,3 | 53,3 | 32,9 | 63,9 | 43,5 | 41,4 | 21,0 | |||||||||||||||
| RK80 | 20 | 20,1 | 10,5 | 27,6 | 18,0 | 35,1 | 25,5 | 42,6 | 33,0 | 50,0 | 40,4 | 57,5 | 47,9 | 65,0 | 55,4 | 72,5 | 62,9 | 80,0 | 70,4 | 95,0 | 85,4 | 110,0 | 100,4 | 19,5 | 9,9 |
| 25 | 17,6 | 5,6 | 25,1 | 13,1 | 32,6 | 20,6 | 40,1 | 28,1 | 47,6 | 35,6 | 55,1 | 43,1 | 62,6 | 50,6 | 70,1 | 58,1 | 77,5 | 65,5 | 92,5 | 80,5 | 107,5 | 95,5 | 24,4 | 12,4 | |
| 30 | 22,6 | 8,2 | 30,1 | 15,7 | 37,6 | 23,2 | 45,1 | 30,7 | 52,6 | 38,2 | 60,1 | 45,7 | 67,6 | 53,2 | 75,1 | 60,7 | 90,1 | 75,7 | 105,0 | 90,6 | 29,2 | 14,8 | |||
| 35 | 27,7 | 10,9 | 35,1 | 18,3 | 42,6 | 25,8 | 50,1 | 33,3 | 57,6 | 40,8 | 65,1 | 48,3 | 72,6 | 55,8 | 87,6 | 70,8 | 102,6 | 85,8 | 34,1 | 17,3 | |||||
| 40 | 32,7 | 13,5 | 40,2 | 21,0 | 47,7 | 28,5 | 55,1 | 35,9 | 62,6 | 43,4 | 70,1 | 50,9 | 85,1 | 65,9 | 100,1 | 80,9 | 39,0 | 19,8 | |||||||
| 45 | 37,7 | 16,1 | 45,2 | 23,6 | 52,7 | 31,1 | 60,2 | 38,6 | 67,7 | 46,1 | 82,6 | 61,0 | 97,6 | 76,0 | 43,8 | 22,2 | |||||||||
| 50 | 42,7 | 18,7 | 50,2 | 26,2 | 57,7 | 33,7 | 65,2 | 41,2 | 80,2 | 56,2 | 95,2 | 71,2 | 48,7 | 24,7 | |||||||||||
| 55 | 47,7 | 21,3 | 55,2 | 28,8 | 62,7 | 36,3 | 77,7 | 51,3 | 92,7 | 66,3 | 53,6 | 27,2 | |||||||||||||
| 60 | 52,8 | 24,0 | 60,3 | 31,5 | 75,2 | 46,4 | 90,2 | 61,4 | 58,4 | 29,6 | |||||||||||||||
| RK120 | 20 | 28,7 | 14,9 | 39,3 | 25,6 | 50,0 | 36,3 | 60,7 | 46,9 | 71,3 | 57,6 | 82,0 | 68,3 | 92,7 | 79,0 | 103,4 | 89,6 | 114,0 | 100,3 | 135,4 | 121,7 | 156,7 | 143,0 | 27,8 | 14,0 |
| 25 | 25,1 | 8,0 | 35,8 | 18,7 | 46,5 | 29,3 | 57,2 | 40,0 | 67,8 | 50,7 | 78,5 | 61,4 | 89,2 | 72,0 | 99,9 | 82,7 | 110,5 | 93,4 | 131,9 | 114,7 | 153,2 | 136,1 | 34,7 | 17,6 | |
| 30 | 32,3 | 11,7 | 43,0 | 22,4 | 53,6 | 33,1 | 64,3 | 43,7 | 75,0 | 54,4 | 85,7 | 65,1 | 96,3 | 75,8 | 107,0 | 86,4 | 128,4 | 107,8 | 149,7 | 129,1 | 41,6 | 21,1 | |||
| 35 | 39,5 | 15,5 | 50,1 | 26,1 | 60,8 | 36,8 | 71,5 | 47,5 | 82,2 | 58,1 | 92,8 | 68,8 | 103,5 | 79,5 | 124,8 | 100,8 | 146,2 | 122,2 | 48,6 | 24,6 | |||||
| 40 | 46,6 | 19,2 | 57,3 | 29,9 | 68,0 | 40,5 | 78,6 | 51,2 | 89,3 | 61,9 | 100,0 | 72,6 | 121,3 | 93,9 | 142,7 | 115,2 | 55,5 | 28,1 | |||||||
| 45 | 53,8 | 22,9 | 64,5 | 33,6 | 75,1 | 44,3 | 85,8 | 54,9 | 96,5 | 65,6 | 117,8 | 87,0 | 139,2 | 108,3 | 62,5 | 31,6 | |||||||||
| 50 | 61,0 | 26,7 | 71,6 | 37,3 | 82,3 | 48,0 | 93,0 | 58,7 | 114,3 | 80,0 | 135,7 | 101,4 | 69,4 | 35,1 | |||||||||||
| 55 | 68,1 | 30,4 | 78,8 | 41,1 | 89,5 | 51,7 | 110,8 | 73,1 | 132,2 | 94,4 | 76,3 | 38,6 | |||||||||||||
| 60 | 75,3 | 34,1 | 86,0 | 44,8 | 107,3 | 66,1 | 128,6 | 87,5 | 83,3 | 42,1 | |||||||||||||||
| RK160 | 20 | 39,3 | 20,5 | 53,9 | 35,1 | 68,6 | 49,7 | 83,2 | 64,4 | 97,9 | 79,0 | 112,5 | 93,6 | 127,1 | 108,3 | 141,8 | 122,9 | 156,4 | 137,6 | 185,7 | 166,8 | 214,9 | 196,1 | 38,1 | 19,2 |
| 25 | 34,5 | 37,6 | 49,1 | 25,6 | 63,8 | 40,2 | 78,4 | 54,9 | 93,0 | 69,5 | 107,7 | 84,1 | 122,3 | 98,8 | 137,0 | 113,4 | 151,6 | 128,0 | 180,9 | 157,3 | 210,1 | 186,6 | 47,6 | 24,1 | |
| 30 | 44,3 | 16,1 | 59,0 | 30,7 | 73,6 | 45,3 | 88,2 | 60,0 | 102,9 | 74,6 | 117,5 | 89,2 | 132,1 | 103,9 | 146,8 | 118,5 | 176,0 | 147,8 | 205,3 | 177,1 | 57,1 | 28,9 | |||
| 35 | 54,1 | 21,2 | 68,8 | 35,8 | 83,4 | 50,5 | 98,1 | 65,1 | 112,7 | 79,7 | 127,3 | 94,4 | 142,0 | 109,0 | 171,2 | 138,3 | 200,5 | 167,5 | 66,6 | 33,7 | |||||
| 40 | 64,0 | 26,3 | 78,6 | 40,9 | 93,2 | 55,6 | 107,9 | 70,2 | 122,5 | 84,8 | 137,2 | 99,5 | 166,4 | 128,7 | 195,7 | 158,0 | 76,2 | 38,5 | |||||||
| 45 | 73,8 | 31,4 | 88,4 | 46,0 | 103,1 | 60,7 | 117,7 | 75,3 | 132,3 | 90,0 | 161,6 | 119,2 | 190,9 | 148,5 | 85,7 | 43,3 | |||||||||
| 50 | 83,6 | 36,5 | 98,3 | 51,2 | 112,9 | 65,8 | 127,5 | 80,4 | 156,8 | 109,7 | 186,1 | 139,0 | 95,2 | 48,1 | |||||||||||
| 55 | 93,5 | 41,6 | 108,1 | 56,3 | 122,7 | 70,9 | 152,0 | 100,2 | 181,3 | 129,5 | 104,7 | 52,9 | |||||||||||||
| 60 | 103,3 | 46,8 | 117,9 | 61,4 | 147,2 | 90,7 | 176,5 | 119,9 | 114,2 | 57,7 | |||||||||||||||
| RK240 | 20 | 57,2 | 29,8 | 78,5 | 51,1 | 99,8 | 72,4 | 121,1 | 93,7 | 142,4 | 115,0 | 163,7 | 136,3 | 185,0 | 157,6 | 206,3 | 178,9 | 227,6 | 200,2 | 270,2 | 242,8 | 312,8 | 285,4 | 55,4 | 28,0 |
| 25 | 50,2 | 16,0 | 71,5 | 37,3 | 92,8 | 58,6 | 114,1 | 79,9 | 135,4 | 101,2 | 156,7 | 122,5 | 178,0 | 143,8 | 199,3 | 165,1 | 220,6 | 186,4 | 263,2 | 229,0 | 305,8 | 271,6 | 69,2 | 35,0 | |
| 30 | 64,5 | 23,5 | 85,8 | 44,8 | 107,1 | 66,1 | 128,4 | 87,4 | 149,7 | 108,7 | 171,0 | 130,0 | 192,3 | 151,3 | 213,6 | 172,6 | 256,2 | 215,2 | 298,8 | 257,8 | 83,0 | 42,0 | |||
| 35 | 78,8 | 30,9 | 100,1 | 52,2 | 121,4 | 73,5 | 142,7 | 94,8 | 164,0 | 116,1 | 185,3 | 137,4 | 206,6 | 158,7 | 249,2 | 201,3 | 291,8 | 243,9 | 96,9 | 49,0 | |||||
| 40 | 93,1 | 38,4 | 114,4 | 59,7 | 135,7 | 81,0 | 157,0 | 102,3 | 178,3 | 123,6 | 199,6 | 144,9 | 242,2 | 187,5 | 284,8 | 230,1 | 110,7 | 56,0 | |||||||
| 45 | 107,4 | 45,8 | 128,7 | 67,1 | 150,0 | 88,4 | 171,3 | 109,7 | 192,6 | 131,0 | 235,2 | 173,6 | 277,8 | 216,2 | 124,6 | 63,0 | |||||||||
| 50 | 121,7 | 53,3 | 143,0 | 74,6 | 164,3 | 95,9 | 185,6 | 117,2 | 228,2 | 159,8 | 270,8 | 202,4 | 138,4 | 70,0 | |||||||||||
| 55 | 136,0 | 60,8 | 157,3 | 82,1 | 178,6 | 103,4 | 221,2 | 146,0 | 263,8 | 188,6 | 152,2 | 77,0 | |||||||||||||
| 60 | 150,3 | 68,2 | 171,6 | 89,5 | 214,2 | 132,1 | 256,8 | 174,7 | 166,1 | 84,0 | |||||||||||||||
| RK300 | 20 | 73,7 | 38,4 | 101,1 | 65,9 | 128,6 | 93,3 | 156,0 | 120,8 | 183,4 | 148,2 | 210,9 | 175,6 | 238,3 | 203,1 | 265,8 | 230,5 | 293,2 | 258,0 | 348,1 | 312,9 | 403,0 | 367,8 | 71,4 | 36,1 |
| 25 | 64,6 | 20,6 | 92,1 | 48,0 | 119,5 | 75,5 | 147,0 | 102,9 | 174,4 | 130,4 | 201,9 | 157,8 | 229,3 | 185,3 | 256,8 | 212,7 | 284,2 | 240,1 | 339,1 | 295,0 | 394,0 | 349,9 | 89,2 | 45,2 | |
| 30 | 83,0 | 30,2 | 110,5 | 57,6 | 137,9 | 85,1 | 165,4 | 112,5 | 192,8 | 140,0 | 220,3 | 167,4 | 247,7 | 194,9 | 275,2 | 222,3 | 330,1 | 277,2 | 384,9 | 332,1 | 107,0 | 54,2 | |||
| 35 | 101,5 | 39,8 | 128,9 | 67,2 | 156,4 | 94,7 | 183,8 | 122,1 | 211,2 | 149,6 | 238,7 | 177,0 | 266,1 | 204,5 | 321,0 | 259,4 | 375,9 | 314,2 | 124,9 | 63,2 | |||||
| 40 | 119,9 | 49,4 | 147,3 | 76,8 | 174,8 | 104,3 | 202,2 | 131,7 | 229,7 | 159,2 | 257,1 | 186,6 | 312,0 | 241,5 | 366,9 | 296,4 | 142,7 | 72,2 | |||||||
| 45 | 138,3 | 59,0 | 165,7 | 86,4 | 193,2 | 113,9 | 220,6 | 141,3 | 248,1 | 168,8 | 303,0 | 223,7 | 357,9 | 278,6 | 160,6 | 81,3 | |||||||||
| 50 | 156,7 | 68,6 | 184,2 | 96,1 | 211,6 | 123,5 | 239,0 | 150,9 | 293,9 | 205,8 | 348,8 | 260,7 | 178,4 | 90,3 | |||||||||||
| 55 | 175,1 | 78,2 | 202,6 | 105,7 | 230,0 | 133,1 | 284,9 | 188,0 | 339,8 | 242,9 | 196,2 | 99,3 | |||||||||||||
| 60 | 193,5 | 87,8 | 221,0 | 115,3 | 275,9 | 170,2 | 330,8 | 225,0 | 214,1 | 108,4 | |||||||||||||||
| RK480 | 20 | 115,7 | 60,3 | 158,8 | 103,4 | 201,9 | 146,5 | 245,0 | 189,6 | 288,0 | 232,7 | 331,1 | 275,8 | 374,2 | 318,9 | 417,3 | 362,0 | 460,4 | 405,1 | 546,6 | 491,2 | 632,8 | 577,4 | 112,0 | 56,7 |
| 25 | 101,5 | 32,3 | 144,6 | 75,4 | 187,7 | 118,5 | 230,8 | 161,6 | 273,9 | 204,7 | 317,0 | 247,8 | 360,1 | 290,9 | 403,2 | 334,0 | 446,2 | 377,0 | 532,4 | 463,2 | 618,6 | 549,4 | 140,1 | 70,9 | |
| 30 | 130,4 | 47,4 | 173,5 | 90,5 | 216,6 | 133,6 | 259,7 | 176,7 | 302,8 | 219,8 | 345,9 | 262,8 | 389,0 | 305,9 | 432,1 | 349,0 | 518,3 | 435,2 | 604,4 | 521,4 | 168,1 | 85,0 | |||
| 35 | 159,4 | 62,5 | 202,4 | 105,6 | 245,5 | 148,7 | 288,6 | 191,7 | 331,7 | 234,8 | 374,8 | 277,9 | 417,9 | 321,0 | 504,1 | 407,2 | 590,3 | 493,4 | 196,1 | 99,2 | |||||
| 40 | 188,3 | 77,6 | 231,4 | 120,6 | 274,5 | 163,7 | 317,5 | 206,8 | 360,6 | 249,9 | 403,7 | 293,0 | 489,9 | 379,2 | 576,1 | 465,4 | 224,1 | 113,4 | |||||||
| 45 | 217,2 | 92,6 | 260,3 | 135,7 | 303,4 | 178,8 | 346,5 | 221,9 | 389,6 | 265,0 | 475,7 | 351,2 | 561,9 | 437,4 | 252,1 | 127,5 | |||||||||
| 50 | 246,1 | 107,7 | 289,2 | 150,8 | 332,3 | 193,9 | 375,4 | 237,0 | 461,6 | 323,2 | 547,8 | 409,4 | 280,1 | 141,7 | |||||||||||
| 55 | 275,0 | 122,8 | 318,1 | 165,9 | 361,2 | 209,0 | 447,4 | 295,2 | 533,6 | 381,3 | 308,1 | 155,9 | |||||||||||||
| 60 | 304,0 | 137,9 | 347,1 | 181,0 | 433,2 | 267,2 | 519,4 | 353,3 | 336,1 | 170,0 | |||||||||||||||
The graph is indicative; for torque values see the table below.
| RACKON "GS" N.O. OUTPUT TORQUE TABLE (Nm) | |||||||||||||||||||||||||
| Size | Spring | Air bar | Spring torque | ||||||||||||||||||||||
| 2 bar | 2,5 bar | 3 bar | 3,5 bar | 4 bar | 4,5 bar | 5 bar | 5,5 bar | 6 bar | 7 bar | 8 bar | |||||||||||||||
| 90° | 0° | 90° | 0° | 90° | 0° | 90° | 0° | 90° | 0° | 90° | 0° | 90° | 0° | 90° | 0° | 90° | 0° | 90° | 0° | 90° | 0° | 0° | 90° | ||
| RK20 | 20 | 4,9 | 2,5 | 6,7 | 4,4 | 8,6 | 6,2 | 10,4 | 8,0 | 12,2 | 9,9 | 14,0 | 11,7 | 15,9 | 13,5 | 17,7 | 15,3 | 19,5 | 17,2 | 23,2 | 20,8 | 26,8 | 24,5 | 4,8 | 2,4 |
| 25 | 4,3 | 1,4 | 6,1 | 3,2 | 8,0 | 5,0 | 9,8 | 6,8 | 11,6 | 8,7 | 13,4 | 10,5 | 15,3 | 12,3 | 17,1 | 14,2 | 18,9 | 16,0 | 22,6 | 19,6 | 26,2 | 23,3 | 6,0 | 3,0 | |
| 30 | 5,5 | 2,0 | 7,4 | 3,8 | 9,2 | 5,7 | 11,0 | 7,5 | 12,8 | 9,3 | 14,7 | 11,1 | 16,5 | 13,0 | 18,3 | 14,8 | 22,0 | 18,4 | 25,6 | 22,1 | 7,1 | 3,6 | |||
| 35 | 6,8 | 2,6 | 8,6 | 4,5 | 10,4 | 6,3 | 12,2 | 8,1 | 14,1 | 9,9 | 15,9 | 11,8 | 17,7 | 13,6 | 21,4 | 17,3 | 25,0 | 20,9 | 8,3 | 4,2 | |||||
| 40 | 8,0 | 3,3 | 9,8 | 5,1 | 11,6 | 6,9 | 13,5 | 8,8 | 15,3 | 10,6 | 17,1 | 12,4 | 20,8 | 16,1 | 24,4 | 19,7 | 9,5 | 4,8 | |||||||
| 45 | 9,2 | 3,9 | 11,0 | 5,7 | 12,9 | 7,6 | 14,7 | 9,4 | 16,5 | 11,2 | 20,2 | 14,9 | 23,8 | 18,5 | 10,7 | 5,4 | |||||||||
| 50 | 10,4 | 4,5 | 12,3 | 6,4 | 14,1 | 8,2 | 15,9 | 10,0 | 19,6 | 13,7 | 23,2 | 17,3 | 11,9 | 6,0 | |||||||||||
| 55 | 11,7 | 5,2 | 13,5 | 7,0 | 15,3 | 8,8 | 19,0 | 12,5 | 22,6 | 16,1 | 13,1 | 6,6 | |||||||||||||
| 60 | 12,9 | 5,8 | 14,7 | 7,6 | 18,4 | 11,3 | 22,0 | 15,0 | 14,3 | 7,2 | |||||||||||||||
| RK40 | 20 | 9,3 | 4,8 | 12,8 | 8,3 | 16,3 | 11,8 | 19,8 | 15,3 | 23,3 | 18,8 | 26,7 | 22,3 | 30,2 | 25,7 | 33,7 | 29,2 | 37,2 | 32,7 | 44,1 | 39,7 | 51,1 | 46,6 | 9,1 | 4,6 |
| 25 | 8,2 | 2,6 | 11,7 | 6,1 | 15,1 | 9,5 | 18,6 | 13,0 | 22,1 | 16,5 | 25,6 | 20,0 | 29,1 | 23,5 | 32,6 | 27,0 | 36,0 | 30,4 | 43,0 | 37,4 | 50,0 | 44,4 | 11,4 | 5,8 | |
| 30 | 10,5 | 3,8 | 14,0 | 7,3 | 17,5 | 10,8 | 21,0 | 14,2 | 24,4 | 17,7 | 27,9 | 21,2 | 31,4 | 24,7 | 34,9 | 28,2 | 41,8 | 35,1 | 48,8 | 42,1 | 13,6 | 6,9 | |||
| 35 | 12,8 | 5,0 | 16,3 | 8,5 | 19,8 | 12,0 | 23,3 | 15,4 | 26,8 | 18,9 | 30,3 | 22,4 | 33,7 | 25,9 | 40,7 | 32,9 | 47,7 | 39,8 | 15,9 | 8,1 | |||||
| 40 | 15,2 | 6,2 | 18,7 | 9,7 | 22,1 | 13,2 | 25,6 | 16,7 | 29,1 | 20,1 | 32,6 | 23,6 | 39,5 | 30,6 | 46,5 | 37,5 | 18,2 | 9,2 | |||||||
| 45 | 17,5 | 7,4 | 21,0 | 10,9 | 24,5 | 14,4 | 28,0 | 17,9 | 31,4 | 21,4 | 38,4 | 28,3 | 45,4 | 35,3 | 20,4 | 10,4 | |||||||||
| 50 | 19,8 | 8,6 | 23,3 | 12,1 | 26,8 | 15,6 | 30,3 | 19,1 | 37,2 | 26,0 | 44,2 | 33,0 | 22,7 | 11,5 | |||||||||||
| 55 | 22,2 | 9,8 | 25,7 | 13,3 | 29,1 | 16,8 | 36,1 | 23,8 | 43,1 | 30,7 | 25,0 | 12,7 | |||||||||||||
| 60 | 24,5 | 11,1 | 28,0 | 14,5 | 34,9 | 21,5 | 41,9 | 28,5 | 27,2 | 13,8 | |||||||||||||||
| RK60 | 20 | 14,2 | 7,4 | 19,5 | 12,7 | 24,9 | 18,1 | 30,2 | 23,4 | 35,5 | 28,7 | 40,8 | 34,0 | 46,1 | 39,3 | 51,4 | 44,6 | 56,7 | 49,9 | 67,3 | 60,5 | 77,9 | 71,1 | 13,8 | 7,0 |
| 25 | 12,5 | 4,0 | 17,8 | 9,3 | 23,1 | 14,6 | 28,4 | 19,9 | 33,7 | 25,2 | 39,0 | 30,5 | 44,3 | 35,8 | 49,7 | 41,2 | 55,0 | 46,5 | 65,6 | 57,1 | 76,2 | 67,7 | 17,3 | 8,8 | |
| 30 | 16,0 | 5,8 | 21,4 | 11,2 | 26,7 | 16,5 | 32,0 | 21,8 | 37,3 | 27,1 | 42,6 | 32,4 | 47,9 | 37,7 | 53,2 | 43,0 | 63,8 | 53,6 | 74,4 | 64,2 | 20,7 | 10,5 | |||
| 35 | 19,6 | 7,7 | 24,9 | 13,0 | 30,2 | 18,3 | 35,5 | 23,6 | 40,8 | 28,9 | 46,2 | 34,3 | 51,5 | 39,6 | 62,1 | 50,2 | 72,7 | 60,8 | 24,2 | 12,3 | |||||
| 40 | 23,2 | 9,6 | 28,5 | 14,9 | 33,8 | 20,2 | 39,1 | 25,5 | 44,4 | 30,8 | 49,7 | 36,1 | 60,3 | 46,7 | 70,9 | 57,3 | 27,6 | 14,0 | |||||||
| 45 | 26,7 | 11,4 | 32,0 | 16,7 | 37,3 | 22,0 | 42,7 | 27,4 | 48,0 | 32,7 | 58,6 | 43,3 | 69,2 | 53,9 | 31,1 | 15,8 | |||||||||
| 50 | 30,3 | 13,3 | 35,6 | 18,6 | 40,9 | 23,9 | 46,2 | 29,2 | 56,8 | 39,8 | 67,4 | 50,4 | 34,5 | 17,5 | |||||||||||
| 55 | 33,8 | 15,1 | 39,2 | 20,5 | 44,5 | 25,8 | 55,1 | 36,4 | 65,7 | 47,0 | 38,0 | 19,3 | |||||||||||||
| 60 | 37,4 | 17,0 | 42,7 | 22,3 | 53,3 | 32,9 | 63,9 | 43,5 | 41,4 | 21,0 | |||||||||||||||
| RK80 | 20 | 20,1 | 10,5 | 27,6 | 18,0 | 35,1 | 25,5 | 42,6 | 33,0 | 50,0 | 40,4 | 57,5 | 47,9 | 65,0 | 55,4 | 72,5 | 62,9 | 80,0 | 70,4 | 95,0 | 85,4 | 110,0 | 100,4 | 19,5 | 9,9 |
| 25 | 17,6 | 5,6 | 25,1 | 13,1 | 32,6 | 20,6 | 40,1 | 28,1 | 47,6 | 35,6 | 55,1 | 43,1 | 62,6 | 50,6 | 70,1 | 58,1 | 77,5 | 65,5 | 92,5 | 80,5 | 107,5 | 95,5 | 24,4 | 12,4 | |
| 30 | 22,6 | 8,2 | 30,1 | 15,7 | 37,6 | 23,2 | 45,1 | 30,7 | 52,6 | 38,2 | 60,1 | 45,7 | 67,6 | 53,2 | 75,1 | 60,7 | 90,1 | 75,7 | 105,0 | 90,6 | 29,2 | 14,8 | |||
| 35 | 27,7 | 10,9 | 35,1 | 18,3 | 42,6 | 25,8 | 50,1 | 33,3 | 57,6 | 40,8 | 65,1 | 48,3 | 72,6 | 55,8 | 87,6 | 70,8 | 102,6 | 85,8 | 34,1 | 17,3 | |||||
| 40 | 32,7 | 13,5 | 40,2 | 21,0 | 47,7 | 28,5 | 55,1 | 35,9 | 62,6 | 43,4 | 70,1 | 50,9 | 85,1 | 65,9 | 100,1 | 80,9 | 39,0 | 19,8 | |||||||
| 45 | 37,7 | 16,1 | 45,2 | 23,6 | 52,7 | 31,1 | 60,2 | 38,6 | 67,7 | 46,1 | 82,6 | 61,0 | 97,6 | 76,0 | 43,8 | 22,2 | |||||||||
| 50 | 42,7 | 18,7 | 50,2 | 26,2 | 57,7 | 33,7 | 65,2 | 41,2 | 80,2 | 56,2 | 95,2 | 71,2 | 48,7 | 24,7 | |||||||||||
| 55 | 47,7 | 21,3 | 55,2 | 28,8 | 62,7 | 36,3 | 77,7 | 51,3 | 92,7 | 66,3 | 53,6 | 27,2 | |||||||||||||
| 60 | 52,8 | 24,0 | 60,3 | 31,5 | 75,2 | 46,4 | 90,2 | 61,4 | 58,4 | 29,6 | |||||||||||||||
| RK120 | 20 | 28,7 | 14,9 | 39,3 | 25,6 | 50,0 | 36,3 | 60,7 | 46,9 | 71,3 | 57,6 | 82,0 | 68,3 | 92,7 | 79,0 | 103,4 | 89,6 | 114,0 | 100,3 | 135,4 | 121,7 | 156,7 | 143,0 | 27,8 | 14,0 |
| 25 | 25,1 | 8,0 | 35,8 | 18,7 | 46,5 | 29,3 | 57,2 | 40,0 | 67,8 | 50,7 | 78,5 | 61,4 | 89,2 | 72,0 | 99,9 | 82,7 | 110,5 | 93,4 | 131,9 | 114,7 | 153,2 | 136,1 | 34,7 | 17,6 | |
| 30 | 32,3 | 11,7 | 43,0 | 22,4 | 53,6 | 33,1 | 64,3 | 43,7 | 75,0 | 54,4 | 85,7 | 65,1 | 96,3 | 75,8 | 107,0 | 86,4 | 128,4 | 107,8 | 149,7 | 129,1 | 41,6 | 21,1 | |||
| 35 | 39,5 | 15,5 | 50,1 | 26,1 | 60,8 | 36,8 | 71,5 | 47,5 | 82,2 | 58,1 | 92,8 | 68,8 | 103,5 | 79,5 | 124,8 | 100,8 | 146,2 | 122,2 | 48,6 | 24,6 | |||||
| 40 | 46,6 | 19,2 | 57,3 | 29,9 | 68,0 | 40,5 | 78,6 | 51,2 | 89,3 | 61,9 | 100,0 | 72,6 | 121,3 | 93,9 | 142,7 | 115,2 | 55,5 | 28,1 | |||||||
| 45 | 53,8 | 22,9 | 64,5 | 33,6 | 75,1 | 44,3 | 85,8 | 54,9 | 96,5 | 65,6 | 117,8 | 87,0 | 139,2 | 108,3 | 62,5 | 31,6 | |||||||||
| 50 | 61,0 | 26,7 | 71,6 | 37,3 | 82,3 | 48,0 | 93,0 | 58,7 | 114,3 | 80,0 | 135,7 | 101,4 | 69,4 | 35,1 | |||||||||||
| 55 | 68,1 | 30,4 | 78,8 | 41,1 | 89,5 | 51,7 | 110,8 | 73,1 | 132,2 | 94,4 | 76,3 | 38,6 | |||||||||||||
| 60 | 75,3 | 34,1 | 86,0 | 44,8 | 107,3 | 66,1 | 128,6 | 87,5 | 83,3 | 42,1 | |||||||||||||||
| RK160 | 20 | 39,3 | 20,5 | 53,9 | 35,1 | 68,6 | 49,7 | 83,2 | 64,4 | 97,9 | 79,0 | 112,5 | 93,6 | 127,1 | 108,3 | 141,8 | 122,9 | 156,4 | 137,6 | 185,7 | 166,8 | 214,9 | 196,1 | 38,1 | 19,2 |
| 25 | 34,5 | 37,6 | 49,1 | 25,6 | 63,8 | 40,2 | 78,4 | 54,9 | 93,0 | 69,5 | 107,7 | 84,1 | 122,3 | 98,8 | 137,0 | 113,4 | 151,6 | 128,0 | 180,9 | 157,3 | 210,1 | 186,6 | 47,6 | 24,1 | |
| 30 | 44,3 | 16,1 | 59,0 | 30,7 | 73,6 | 45,3 | 88,2 | 60,0 | 102,9 | 74,6 | 117,5 | 89,2 | 132,1 | 103,9 | 146,8 | 118,5 | 176,0 | 147,8 | 205,3 | 177,1 | 57,1 | 28,9 | |||
| 35 | 54,1 | 21,2 | 68,8 | 35,8 | 83,4 | 50,5 | 98,1 | 65,1 | 112,7 | 79,7 | 127,3 | 94,4 | 142,0 | 109,0 | 171,2 | 138,3 | 200,5 | 167,5 | 66,6 | 33,7 | |||||
| 40 | 64,0 | 26,3 | 78,6 | 40,9 | 93,2 | 55,6 | 107,9 | 70,2 | 122,5 | 84,8 | 137,2 | 99,5 | 166,4 | 128,7 | 195,7 | 158,0 | 76,2 | 38,5 | |||||||
| 45 | 73,8 | 31,4 | 88,4 | 46,0 | 103,1 | 60,7 | 117,7 | 75,3 | 132,3 | 90,0 | 161,6 | 119,2 | 190,9 | 148,5 | 85,7 | 43,3 | |||||||||
| 50 | 83,6 | 36,5 | 98,3 | 51,2 | 112,9 | 65,8 | 127,5 | 80,4 | 156,8 | 109,7 | 186,1 | 139,0 | 95,2 | 48,1 | |||||||||||
| 55 | 93,5 | 41,6 | 108,1 | 56,3 | 122,7 | 70,9 | 152,0 | 100,2 | 181,3 | 129,5 | 104,7 | 52,9 | |||||||||||||
| 60 | 103,3 | 46,8 | 117,9 | 61,4 | 147,2 | 90,7 | 176,5 | 119,9 | 114,2 | 57,7 | |||||||||||||||
| RK240 | 20 | 57,2 | 29,8 | 78,5 | 51,1 | 99,8 | 72,4 | 121,1 | 93,7 | 142,4 | 115,0 | 163,7 | 136,3 | 185,0 | 157,6 | 206,3 | 178,9 | 227,6 | 200,2 | 270,2 | 242,8 | 312,8 | 285,4 | 55,4 | 28,0 |
| 25 | 50,2 | 16,0 | 71,5 | 37,3 | 92,8 | 58,6 | 114,1 | 79,9 | 135,4 | 101,2 | 156,7 | 122,5 | 178,0 | 143,8 | 199,3 | 165,1 | 220,6 | 186,4 | 263,2 | 229,0 | 305,8 | 271,6 | 69,2 | 35,0 | |
| 30 | 64,5 | 23,5 | 85,8 | 44,8 | 107,1 | 66,1 | 128,4 | 87,4 | 149,7 | 108,7 | 171,0 | 130,0 | 192,3 | 151,3 | 213,6 | 172,6 | 256,2 | 215,2 | 298,8 | 257,8 | 83,0 | 42,0 | |||
| 35 | 78,8 | 30,9 | 100,1 | 52,2 | 121,4 | 73,5 | 142,7 | 94,8 | 164,0 | 116,1 | 185,3 | 137,4 | 206,6 | 158,7 | 249,2 | 201,3 | 291,8 | 243,9 | 96,9 | 49,0 | |||||
| 40 | 93,1 | 38,4 | 114,4 | 59,7 | 135,7 | 81,0 | 157,0 | 102,3 | 178,3 | 123,6 | 199,6 | 144,9 | 242,2 | 187,5 | 284,8 | 230,1 | 110,7 | 56,0 | |||||||
| 45 | 107,4 | 45,8 | 128,7 | 67,1 | 150,0 | 88,4 | 171,3 | 109,7 | 192,6 | 131,0 | 235,2 | 173,6 | 277,8 | 216,2 | 124,6 | 63,0 | |||||||||
| 50 | 121,7 | 53,3 | 143,0 | 74,6 | 164,3 | 95,9 | 185,6 | 117,2 | 228,2 | 159,8 | 270,8 | 202,4 | 138,4 | 70,0 | |||||||||||
| 55 | 136,0 | 60,8 | 157,3 | 82,1 | 178,6 | 103,4 | 221,2 | 146,0 | 263,8 | 188,6 | 152,2 | 77,0 | |||||||||||||
| 60 | 150,3 | 68,2 | 171,6 | 89,5 | 214,2 | 132,1 | 256,8 | 174,7 | 166,1 | 84,0 | |||||||||||||||
| RK300 | 20 | 73,7 | 38,4 | 101,1 | 65,9 | 128,6 | 93,3 | 156,0 | 120,8 | 183,4 | 148,2 | 210,9 | 175,6 | 238,3 | 203,1 | 265,8 | 230,5 | 293,2 | 258,0 | 348,1 | 312,9 | 403,0 | 367,8 | 71,4 | 36,1 |
| 25 | 64,6 | 20,6 | 92,1 | 48,0 | 119,5 | 75,5 | 147,0 | 102,9 | 174,4 | 130,4 | 201,9 | 157,8 | 229,3 | 185,3 | 256,8 | 212,7 | 284,2 | 240,1 | 339,1 | 295,0 | 394,0 | 349,9 | 89,2 | 45,2 | |
| 30 | 83,0 | 30,2 | 110,5 | 57,6 | 137,9 | 85,1 | 165,4 | 112,5 | 192,8 | 140,0 | 220,3 | 167,4 | 247,7 | 194,9 | 275,2 | 222,3 | 330,1 | 277,2 | 384,9 | 332,1 | 107,0 | 54,2 | |||
| 35 | 101,5 | 39,8 | 128,9 | 67,2 | 156,4 | 94,7 | 183,8 | 122,1 | 211,2 | 149,6 | 238,7 | 177,0 | 266,1 | 204,5 | 321,0 | 259,4 | 375,9 | 314,2 | 124,9 | 63,2 | |||||
| 40 | 119,9 | 49,4 | 147,3 | 76,8 | 174,8 | 104,3 | 202,2 | 131,7 | 229,7 | 159,2 | 257,1 | 186,6 | 312,0 | 241,5 | 366,9 | 296,4 | 142,7 | 72,2 | |||||||
| 45 | 138,3 | 59,0 | 165,7 | 86,4 | 193,2 | 113,9 | 220,6 | 141,3 | 248,1 | 168,8 | 303,0 | 223,7 | 357,9 | 278,6 | 160,6 | 81,3 | |||||||||
| 50 | 156,7 | 68,6 | 184,2 | 96,1 | 211,6 | 123,5 | 239,0 | 150,9 | 293,9 | 205,8 | 348,8 | 260,7 | 178,4 | 90,3 | |||||||||||
| 55 | 175,1 | 78,2 | 202,6 | 105,7 | 230,0 | 133,1 | 284,9 | 188,0 | 339,8 | 242,9 | 196,2 | 99,3 | |||||||||||||
| 60 | 193,5 | 87,8 | 221,0 | 115,3 | 275,9 | 170,2 | 330,8 | 225,0 | 214,1 | 108,4 | |||||||||||||||
| RK480 | 20 | 115,7 | 60,3 | 158,8 | 103,4 | 201,9 | 146,5 | 245,0 | 189,6 | 288,0 | 232,7 | 331,1 | 275,8 | 374,2 | 318,9 | 417,3 | 362,0 | 460,4 | 405,1 | 546,6 | 491,2 | 632,8 | 577,4 | 112,0 | 56,7 |
| 25 | 101,5 | 32,3 | 144,6 | 75,4 | 187,7 | 118,5 | 230,8 | 161,6 | 273,9 | 204,7 | 317,0 | 247,8 | 360,1 | 290,9 | 403,2 | 334,0 | 446,2 | 377,0 | 532,4 | 463,2 | 618,6 | 549,4 | 140,1 | 70,9 | |
| 30 | 130,4 | 47,4 | 173,5 | 90,5 | 216,6 | 133,6 | 259,7 | 176,7 | 302,8 | 219,8 | 345,9 | 262,8 | 389,0 | 305,9 | 432,1 | 349,0 | 518,3 | 435,2 | 604,4 | 521,4 | 168,1 | 85,0 | |||
| 35 | 159,4 | 62,5 | 202,4 | 105,6 | 245,5 | 148,7 | 288,6 | 191,7 | 331,7 | 234,8 | 374,8 | 277,9 | 417,9 | 321,0 | 504,1 | 407,2 | 590,3 | 493,4 | 196,1 | 99,2 | |||||
| 40 | 188,3 | 77,6 | 231,4 | 120,6 | 274,5 | 163,7 | 317,5 | 206,8 | 360,6 | 249,9 | 403,7 | 293,0 | 489,9 | 379,2 | 576,1 | 465,4 | 224,1 | 113,4 | |||||||
| 45 | 217,2 | 92,6 | 260,3 | 135,7 | 303,4 | 178,8 | 346,5 | 221,9 | 389,6 | 265,0 | 475,7 | 351,2 | 561,9 | 437,4 | 252,1 | 127,5 | |||||||||
| 50 | 246,1 | 107,7 | 289,2 | 150,8 | 332,3 | 193,9 | 375,4 | 237,0 | 461,6 | 323,2 | 547,8 | 409,4 | 280,1 | 141,7 | |||||||||||
| 55 | 275,0 | 122,8 | 318,1 | 165,9 | 361,2 | 209,0 | 447,4 | 295,2 | 533,6 | 381,3 | 308,1 | 155,9 | |||||||||||||
| 60 | 304,0 | 137,9 | 347,1 | 181,0 | 433,2 | 267,2 | 519,4 | 353,3 | 336,1 | 170,0 | |||||||||||||||
WORKING PLANE
Without air supply, the spring return actuator returns to its resting position, and shaft rotate in a clockwise direction. The drawing shows its final position. We advise to assemble a small filter on the air connection 4 to prevent dust and particles into the cylinder chamber without, however, preventing the passage of air.
WORKING PLANE
Supplying air through the air connection 2, the pistons move outwards pressing the spring. The shaft rotate in a counter-clockwise direction takes place and the final position is shown above.
WORKING PLANE
Without air supply, the spring return actuator returns to its resting position, and shaft rotate in a counter-clockwise direction. The drawing shows its final position. We advise to assemble a small filter on the air connection 4 to prevent dust and particles into the cylinder chamber without, however, preventing the passage of air.
WORKING PLANE
Supplying air through the air connection 2, the pistons move outwards pressing the spring. The shaft rotate in a clockwise direction takes place and the final position is shown above.
A) Check that the filter is mounted on hole 4 and that it is not blocked. Check that there is no pressurized air in the actuator (in both chambers).
B) Loosen locknut A1.
C) Supply air to hole “2” (sufficient only for movement) the pistons will be in the end of stroke.
D) Screw or unscrew the screw A with an Allen key for the desired adjustment (maximum adjustment range ± 5°).
E) Once the adjustment has been made, with an Allen key stop the screw A, at the same time with a wrench tighten the locknut A1.
N.B. If necessary, repeat the operations until the desired setting is obtained.
A) Check that there is no pressurized air in the actuator (in both chambers).
B) Loosen locknut B1.
C) Screw or unscrew the screw B with an Allen key for the desired adjustment(maximum adjustment range ± 5°).
D) Once the adjustment has been made, with an Allen key stop the screw B, at the same time with a wrench tighten the locknut B1.
N.B. If necessary, repeat the operations until the desired setting is obtained.
A) Check that there is no pressurized air in the actuator (in both chambers).
B) Remove the supply air.
C) Loosen locknut A1.
D) Screw or unscrew the screw A with an Allen key for the desired adjustment(maximum adjustment range ± 5°).
E) Once the adjustment has been made, with an Allen key stop the screw A, at the same time with a wrench tighten the locknut A1.
N.B. If necessary, repeat the operations until the desired setting is obtained.
A) Check that the filter is mounted on hole 4 and that it is not blocked. Check that there is no pressurized air in the actuator (in both chambers).
B) Loosen locknut B1.
C) Supply air to hole “2” (sufficient only for movement) the pistons will be in the end of stroke.
D) Screw or unscrew the screw B with an Allen key for the desired adjustment (maximum adjustment range ± 5°).
E) Once the adjustment has been made, with an Allen key stop the screw B, at the same time with a wrench tighten the locknut B1.
N.B. If necessary, repeat the operations until the desired setting is obtained.